PS/2 MOUSE to TOWNS MOUSE Converter


  1. 概要

     DOS/V機で広く使われているPS/2マウスをFMTOWNSシリーズ/FMTOWNSIIシリーズのTOWNSマウスに変換するコンバータです。今話題の光学式PS/2マウスも使用できます。またTOWNSマウス互換のため、TOWNSパッドエミュレーションもサポートする予定です
     変換にはMicrochip Technology社のマイクロコントローラPIC16F84-10/P(以下、PICマイコンと省略)を使用しているので、電子部品以外にもPICライタなどが必要になりますが、TOWNSマウスの調子が悪い方はぜひ製作してみてください。
     なお、本製作記事ではFMTOWNSシリーズ/FMTOWNSIIシリーズを対象にしていますが、MSXシリーズやPC-8801シリーズで使用されているマウスとも互換性があるので、MSXシリーズやPC-8801シリーズでも使用することができると思います。

  2. 製作方法

    1. 基板の製作

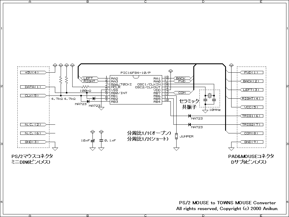
       PS/2 MOUSE to TOWNS MOUSE Converterの回路図はここを参照してください。参考までに部品リストを以下に示します。なお、抵抗にはカラーコードを、コンデンサには数字の表記を示したので参考にしてください。

      部品リスト
      種類部品名数量
      ICPIC16F84-10/P(注1)1個
      ダイオードMA723(注2)4本
      セラミック共振子10[MHz](注3)1個
      抵抗4.7[kΩ](炭素皮膜;1/8[W];±5[%];黄紫赤金)(注4)2本
      100[kΩ](炭素皮膜;1/8[W];±5[%];茶黒黄金)(注5)1本
      コンデンサ0.1[μF](積層セラミック;50[V];104)(注6)1個
      10[μF](アルミ電解;16[V])1個
      コネクタICソケット(DIP18ピン用)(注7)1個
      Dサブ9ピン(メス)(注8)1個
      ミニDIN6ピン(メス)(注9)1個
      ヘッダピン(注7)1個
      ジャンパピン(注7)1個
      その他ユニバーサル基板1枚
      配線材必要量
      ケース(注7)1個

      (注1)PIC16F83-10/PやPIC16F84A-20/P、PIC16C84-10/Pなどにも置き換え可能ですが、10[MHz]で動作可能なPICマイコンにしてください。ただし、PIC16C84-10/Pはコンフィギュレーションワードの値が異なるので注意が必要です。
      (注2)汎用ショットキバリアダイオードで代用できます。
      (注3)他の動作周波数にしてしまうとタイムアウト処理の時間が狂ってしまうので必ず10[MHz]を使用してください。また、容量負荷内蔵品でない場合や水晶発振子で代用する場合には、47[pF]程度のセラミックコンデンサが2個必要です(使用する部品のデータシートに従ってください)。
      (注4)1[kΩ]〜4.7[kΩ]で代用できます。また、小型に作る必要がなければ1/4[W]で代用できます。
      (注5)ICSP(In-Circuit Serial Programming)対応のために必要な抵抗です。10[kΩ]〜100[kΩ]で代用できます。また、小型に作る必要がなければ1/4[W]で代用できます。
      (注6)小型に作る必要がなければ普通のセラミックコンデンサで代用できます。
      (注7)必要に応じて使用します。
      (注8)一般のDサブ9ピンではFMTOWNSのPAD&MOUSEポートに差し込めないので注意が必要です。
      (注9)ミニDIN6ピン(メス)のピン配置はここを参照してください。

    2. プログラムのダウンロード

       PICマイコンに書き込むプログラムはあにくんのホームページでダウンロードできます。

    3. プログラムの書き込み

       PICマイコンに書き込むプログラムはIntel HEX Format(INHX8M)ファイル形式のPS2M2TMC.HEX(Version 1.11)です(注1)
       PIC Writer for FMTOWNSでは以下のように設定してください(PIC16F84-10/Pの場合、コンフィギュレーションワードは3FF2になるはずです)。

      PICマイコン(0:PIC16C84,1:PIC16F84(A)):1
      オシレータ (0:LP,1:XT,2:HS,3:RC):2
      ウォッチドッグタイマ (0:無効,1:有効):0
      パワーアップタイマ (0:無効,1:有効):1
      コードプロテクション(0:設定,1:未設定):1
      ID番号 (ID:0000-FFFF):0111

      (注1)コネクタには何も接続されていない状態かつ、ジャンパ設定はオープンの状態でPICマイコンのプログラムを書き込むようにしてください。

     本製作記事の回路はICSPに対応しているので、PICマイコンを回路に組み込んだ状態であってもPIC Writer for FMTOWNSなどICSP対応PICライタでプログラムの書き込むことができ、今後のバージョンアップにも容易に対応できます。

  3. 使い方

     PS/2マウスコネクタにはPS/2マウスを、FMTOWNSのPAD&MOUSEポートにはPAD&MOUSEコネクタを接続します。

    1. TOWNSマウスとして使う場合(TOWNSマウスエミュレーション)

      1. FMTOWNSの電源が入っていない場合
         PS/2マウスの左ボタンを押さない状態でFMTOWNSの電源を入れます。

      2. FMTOWNSの電源がすでに入っている場合
         PS/2マウスの左ボタンを押さない状態でPAD&MOUSEコネクタを接続します。

    2. TOWNSパッドとして使う場合(TOWNSパッドエミュレーション)※現在は対応していません

      1. FMTOWNSの電源が入っていない場合
         PS/2マウスの左ボタンを押した状態でFMTOWNSの電源を入れます。

      2. FMTOWNSの電源がすでに入っている場合
         PS/2マウスの左ボタンを押した状態でPAD&MOUSEコネクタを接続します。

    3. ジャンパ設定について

       ジャンパ設定によりマウスの分解能を半分にすることができます。これにより分解能400[Counts/Inch]のPS/2マウスを分解能200[Counts/Inch]相当のTOWNSマウスにすることができます。

      1. ジャンパ設定がオープンの場合
         マウスの分解能を変更しません。

      2. ジャンパ設定がショートの場合
         マウスの分解能を半分にします。

       常にジャンパ設定を監視しているので、電源が入っている状態で変更しても認識されます。なお、この機能はTOWNSマウスエミュレーションに対して有効です。

     Hot Swap(活線挿抜)に対応しているので、FMTOWNSの電源が入っている状態であってもPAD&MOUSEコネクタの抜き差しが可能です。したがってTOWNSマウスエミュレーションとTOWNSパッドエミュレーションを変更するたびFMTOWNSの電源を切る必要もなく、一度PAD&MOUSEコネクタの抜いて上記の操作をすることでエミュレーションの変更が可能です。ただし、電源が供給されたときにしかPS/2マウスの初期設定をしていないので、PS/2マウスを接続した状態でPAD&MOUSEポートに差してください。PS/2マウスやFMTOWNS、本コンバータは故障はしませんが正常に動きません。

  4. 現在の制限事項

    1. TOWNSマウスエミュレーション

      1. 以下の古いTownsOSを高速モードのある機種の高速モードで使用するとマウスカーソルが飛びます(注1)
        • TownsOS V1.1L10B(Free Ware Collection 1)
        • TownsOS V2.1L10B(Free Software Collection 5)

      2. 3ボタンのPS/2マウスを使用する場合、中央のボタンは無視されます。

      3. スクロールホイールの付いたPS/2マウスのスクロール機能は無視されます。

      (注1)手元にある以下のTownsOSのみで確認したため、これ以外にも正常に使用できない可能性があります。
        確認したTownsOS
      • TownsOS V1.1L10B(Free Ware Collection 1)
      • TownsOS V2.1L10B(Free Software Collection 5)
      • TownsOS V2.1L20(F-BASIC386 V2.1L10)
      • TownsOS V2.1L20A
      • TownsOS V2.1L31(Free Software Collection 9)
      • TownsOS V2.1L40
      • TownsOS V2.1L50A(Free Software Collection 11)
      • TownsOS V2.1L51
      • TownsOS V2.1L51(on MS-DOS V6.2L10+3)
    2. TOWNSパッドエミュレーション

      1. サポートしていません。

  5. 今後の予定

    1. TOWNSマウス互換のため、TOWNSパッドエミュレーションをサポートする。
    2. Atmel社のマイクロコントローラAT90S1200に移植して、マウスカーソルが飛ぶ現象をなくす。

  6. 注意事項

     本製作記事および本製作記事で配布しているプログラムは無保証です。いかなる事故にも作者は責任を負いません。

  7. 著作権/掲載/リンクについて

     本製作記事の著作権は作者であるあにくんが保持します。
     本製作記事を雑誌に掲載する場合には事前に電子メールで連絡をください。
     本製作記事および本製作記事で配布しているプログラムへ直接リンクすることを禁止します(トップページ(http://anikun.kutami.jp/)へリンクしてください)。

  8. 利用について

     本製作記事および本製作記事を利用した製品、本製作記事で配布しているプログラム、本製作記事で配布しているプログラムを書き込んだPICマイコンの販売は原則として禁止とします(ただし作者は除く)。販売を考えている方は事前に電子メールで相談してください。

  9. 参考文献


    あにくん(WAE28175@nifty.com)
    All rights reserved, Copyright © 2000 Anikun.